产品特点
YE4系列为全新设计的超高效低压三相异步电动机,采用高强度铸铁结构,具有效率高、可靠性高、造型美观、噪音低、振动小等特点,适用于风机、水泵、压缩机及工程机械等需要节能并连续运行的工业领域。
工作环境
◎环境温度: -15°C~+40°C
◎相对湿度:不超过90%(低于20°C)
◎额定电压: 380V
◎速率频率: 50HZ
◎绝缘等级: F级
◎工作制:连续工作制S1
◎冷却方式: IC411
◎防护等级: IP55
◎接线方式: Y接法3KW及以下 △接法3KW以上
产品型号含义

性能数据

性能数据

性能数据

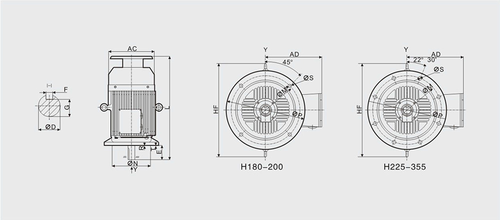
安装类型和尺寸

带底脚的框架,无法兰的端盖(B3)

安装类型和尺寸

带底脚的框架,无法兰的端盖(B35)

安装类型和尺寸

带底脚的框架,无法兰的端盖(B5)

安装类型和尺寸

带底脚的框架,无法兰的端盖( B34 )

安装类型和尺寸

带底脚的框架,无法兰的端盖( B34 )

安装类型和尺寸

带底脚的框架,无法兰的端盖( B14 )


